triplex konični zobniki 16B-3 ISO standardna valjna veriga

Ta zasnova uporablja stožčasto pest in ustrezno stožčasto izvrtino, kar omogoča varno pritrditev zobnika na gred z uporabo stožčastih zapirnih puš, brez ustvarjanja vrzeli.
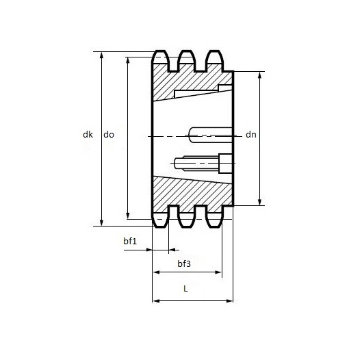
Model: tip B 16B-3 stožčasti zobnik
Material: C45, nerjaveče jeklo, kaljeno jeklo itd.
Površinska obdelava: kaljeni zobje, črni oksid, pocinkano, elektroforeza itd.

Opis

Zavojna zaporna puša zobnikazagotavlja robustno mehansko tesno prileganje med pestom zobnika in gredjo, kar zagotavlja močno in zanesljivo povezavo za nemoten in učinkovit prenos moči. Ta zasnova zmanjšuje izgubo energije in izboljšuje splošno učinkovitost sistema.

Ključne lastnosti

  • Mehanski vpeti spoj:Varno povezuje pest zobnika in gred za vrhunsko zanesljivost in zmanjšanje zdrsa.
  • Učinkovit prenos moči:Gladko delovanje z zmanjšanim trenjem in hrupom zaradi natančnega oblikovanja zob.
  • Dolga življenjska doba:Trajni materiali in zasnova podaljšujejo življenjsko dobo zobnikov in verig, kar zmanjšuje izpad proizvodnje in stroške vzdrževanja.
  • Možnosti materialov:
    • Jeklo C45:Uravnotežena trdnost in ekonomičnost za splošne uporabe.
    • Nerjaveče jeklo:Odlična odpornost proti koroziji – idealno za zahtevna okolja.
    • Kaljeno jeklo:Toplotno obdelano za večjo odpornost proti obrabi in trajnost.
  • Manj vzdrževanja:Manj zamenjav, kar znižuje skupne obratovalne stroške.

Tehnične specifikacije

  • ISO-št.:16B-3 (1″ x 17,02 mm)
  • Korak:25,4 mm
  • Notranja širina:17,02 mm
  • Premer valja:15,88 mm
  • Širina zob:79,6 mm
  • Ba:2,5 mm (širina polmera)
  • Rx:26,0 mm (min. polmer zoba)

Prednosti

  • Močna in zanesljiva povezava za visoko zmogljive sisteme
  • Zmanjšano trenje in hrup za bolj gladko delovanje
  • Podaljšana življenjska doba in zmanjšani stroški vzdrževanja
  • Vsestranske možnosti materialov, ki ustrezajo različnim okoljem

Izberite našo stožčasto zaporno pušo za kolesa za vrhunsko vzdržljivost, učinkovit prenos moči in nizke stroške vzdrževanja v zahtevnih aplikacijah.

Tehnični parametri

triplex zobniki s stožčastim zaklepom 16B-3 tehnična tabela

triplex konični zobniki 16B-3 tehnična tabela